UQK-01浮球液位控制器
UQK-01浮球液位控制器

UQK-01浮球液位控制器

UQK型浮球液位控制器適用于工業生產過程中敞開或承壓容器內液位的控制。當液位到達高低極限時,繼電器觸點可作為信號報警裝置或電動泵等線路中的開關。


參數

主要技術指標

image.png


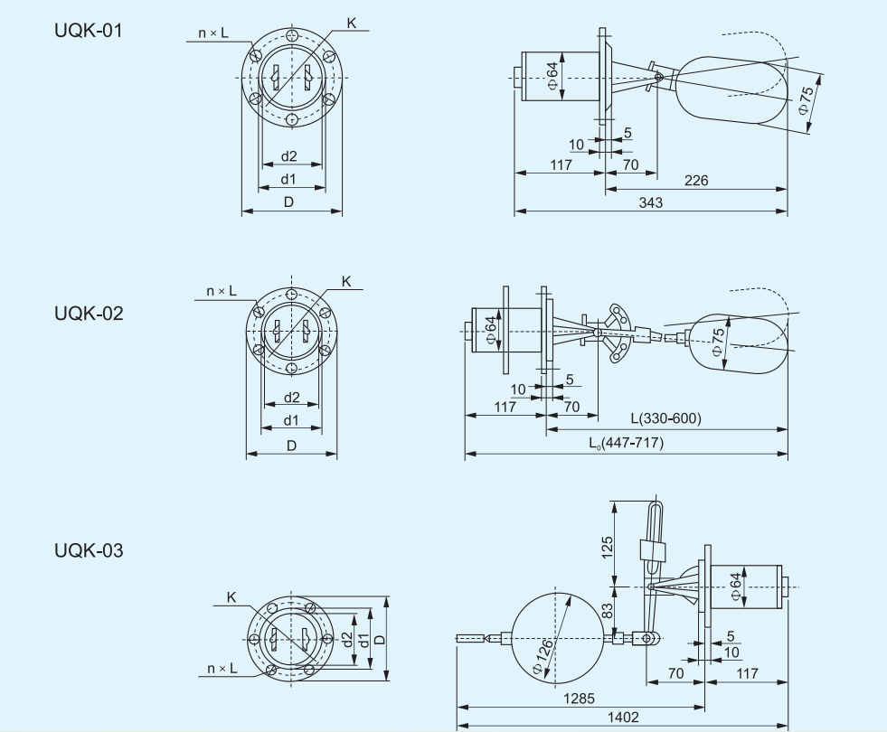
外形尺寸(mm)

image.png


安裝尺寸

image.png

熱門產品

電話

0577-62898988

手機

15067706886

微信

微信

QQ

QQ:574963916

郵箱
主站蜘蛛池模板: 东丽区| 石林| 东乌珠穆沁旗| 五指山市| 固原市| 阿巴嘎旗| 凤城市| 萝北县| 商河县| 凤阳县| 县级市| 大悟县| 岳西县| 肥乡县| 罗甸县| 高雄市| 哈尔滨市| 和政县| 铜鼓县| 赫章县| 潞城市| 赞皇县| 泌阳县| 台州市| 石棉县| 佛坪县| 荥经县| 海门市| 且末县| 平塘县| 宁城县| 安西县| 乌拉特前旗| 涟源市| 朔州市| 米泉市| 盈江县| 松溪县| 禄劝| 沂源县| 子长县|